Abstrak
– Telah
dilakukan percobaan penyearah yang bertujuan untuk mengetahui
karakteristik penyearah setengah gelombang dan gelombang penuh dengan
tapis (filter)
dan
tanpa tapis. Prinsip dari percobaan penyearah ini yaitu mengubah arus
ac menjadi arus dc. Alat dan bahan yang digunakan dalam percobaan
diantaranya yaitu transformator
CT 2 Ampere, dua buah dioda 1N4002, resistor 33 Ω, kapasitor 100 μF
dan 1000 μF, osiloskop, kabel penghubung, dan kamera. Dalam
percobaan dilakukan dengan memberikan variasi dengan filter
dan
tanpa
filter pada
penyearah setengah gelombang dan gelombang penuh dengan filter
variasi
100μF dan 1000μF. Percobaan ini dilakukan dengan menggunakan
osiloskop sebagai penampil data yang diperoleh dari rangkaian
penyerah yang dirangkai secara seri antara dioda dan resistor dan
dirangkai paralel dengan kapasitor . Hasil dari percobaan dapat
disimpulkan bahwa karakteristik dari penyearah setengah gelombang
yaitu mempunyai satu siklus sinyal positif setengah gelombang yang
dikeluarkan oleh satu dioda, untuk penyearah gelombang penuh akan
menghasilkan arus luaran yang penuh karena adanya dua dioda yang
saling bergantian memberikan setengah gelombang siklus sinyal
positif, dan untuk penyearah setengah gelombang dan gelombang penuh
dengan menggunakan filter akan menghasilkan luaran arus yang rata
akibat adanya kapasitor yang mengurangi riak tegangan.
Kata
Kunci – Dioda, kapasitor, osiloskop, transformator.
I. PENDAHULUAN
Dalam
kehidupan sehari-hari dioda banyak digunakan pada alat elektronik.
Misalnya, pada jenis relay diberikan dioda dengan tujuan untuk
mencegah terjadinya arus balik pada rangkaian. Arus balik listrik ini
dapat berasal dari induksi medan magnet yang dihasilkan oleh kumparan
relay. Induksi listrik ini biasanya lebih tinggi tegangannya
dibandingkan dengan tegangan sumber. Untuk mencegah terjadinya
kerusakan akibat terjadinya tegangan induksi ini maka pada rangkaian
relay dipasangkan rangkaian dioda. Kapasitor
adalah suatu alat yang dapat menyimpan
energi
di dalam medan
listrik,
dengan cara mengumpulkan ketidakseimbangan internal dari muatan
listrik.
Umumnya ada dua jenis kapasitor yaitu kapasitor polar dan kapasitor
nonpolar[2].
Transformator adalah
suatu alat listrik yang memindahkan energi listrik dari satu
rangkaian listrik ke rangkaian listrik yang lain melalui suatu
gandengan magnet berdasarkan prinsip induksi elektromagnet. Prinsip
kerja transformator adalah berdasarkan hukum faraday yaitu arus
listrik dapat menimbulkan medan magnet dan sebaliknya medan magnet
dapat menimbulkan arus listrik[4]. Dioda adalah suatu
bahan semikonduktor (silikon) yang tersusun atas"p-n Junction",
dan didesain sedemikian rupa sehingga mempu menghasilkan arus pada
satu arah saja, seperti yang terlihatpada gambar 1.(a). smbol untuk
dioda dapat dilihat pada gambar 1.(b)[4].
Gambar
1.1 (a) Rangkaian dengan dioda (b) Simbol dioda
Gambar
1.2 (a) sambungan p-n; (b) sebaran rapat muatan ρ.
Peristiwa
yang dilukiskan pada gambar 1.2 adalah yang terjadi jika antara ujung
bahan p dan n tidak diberi sumber ggl.
Sekarang antara ujung bahan p dan n dihubungkandengan suatu baterai,
dengan bahan p dihubungkan dengan kutub positif dan bahan n dengan
kutub negatif. Pada keadaan ini dikatakan sambungan p-n diberi panjar
maju. Seperti yang terlihat pada gambar 1.3. dan jika kutub dibalik,
maka terjadi panjar mundur[3].
Gambar
1.3 panjar maju pada sambungan p-n
Penerapan
dioda yang paling banyak dijumpai adalah sebagai penyearah. Penyearah
berarti mengubah arus bolak-balik (ac) menjadi arus searah (dc).
Penyearah yang paling sederhana adalah penyearah setengah gelombang,
yaitu penyearah yang terdiri dari sebuah dioda. Rangkaian penyearah
setengah gelombang mendapat masukan dari skunder trafo yang berupa
sinyal ac berbentuk sinus, Vi = Vm sin ωt. Prinsip penyearah
setengah gelombang adalah bahwa pada saat sinyal input berupa siklus
positif maka dioda mendapat bias maju sehingga arus mengalir ke
beban, dan sebaliknya[1].
Gambar
1.4 Penyearah setengah gelombang; (a) Rangkaian; (b) tegangan skunder
trafo; (c) Arus beban
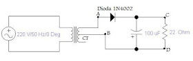
Rangkaian
gelombang penuh ada dua macam, yaitu dengan menggunakan trafo CT dan
dengan sistem jembatan. Penyearah
gelombang penuh dengan menggunakan trafo CT dapat dibuat menggunakan
2 buah dioda D1 dan D2 seperti pada gambar dibawah. Terminal sekunder
dari Trafo CT mengeluarkan dua buah tegangan keluaran yang sama
tetapi fasanya berlawanan dengan titik CT sebagai titik tengahnya.
Kedua keluaran ini masing-masing dihubungkan ke D1 dan D2, sehingga
saat D1 mendapat sinyal siklus positip maka D2 mendapat sinyal siklus
negatip, dan sebaliknya[2].
(a)
(b)
Gambar
1.5 (a) Rangkaian gelombang penuh dengan trafo CT; (b) Sinyal
gelombang penuh
II. METODOLOGI
Langkah pada
percobaan penyearah ini yang pertama peralatan disiapkan, diantaranya
transformator CT 2 Ampere, dua buah dioda 1N4002, resistor 33 Ω,
kapasitor 100 μF dan 1000 μF, osiloskop, kabel penghubung, dan
kamera. Sebelumnya osiloskop dikalibrasi. Setelah itu, peralatan
dirangkai seperti pada gambar 2.1(a) dan 2.1(b) untuk percobaan
penyearah setengah gelombang daan seperti pada gambar 2.2(a) dan
2..2(b) untuk percobaan penyearah gelombang penuh. Setelah dirangkai
dimulai untuk pengambilan data berupa tegangan puncak (Vp), tegangan
DC rata-rata (Vav), tegangan puncak ke puncak (Vpp), periode, dan
bentuk gelombang dari transformator (pada lilitan sekunder) dengan
menghubungkan probe osiloskop pada kutub positif rangkaian pada titik
A dan
osiloskop
pada titik B. Kemudian transformator dihubungkan dengan stop kontak
dan data yang ditampilkan pada osiloskop dicatat dan difoto. Langkah
tersebut dilakukan pula untuk titik C-D.
(a)
(b)
Gambar
2.1 rangkaian penyearah setengah gelombang (a) Tanpa tapis; (b)
Dengan tapis
(a)
(b)
Gambar
2.2 Rangkaian penyearah gelombang penuh (a) Tanpa tapis; (b) Dengan
tapis
Setelah
diperoleh data-data tersebut maka dapat dilakukan pengolahan data
yaitu sebagai berikut:
Vmaks
= Vrms ....................................................................................... (2.1)
Dengan
Vrms dari percobaan penyearah tanpa filter
Error
= x 100% ...................................................................................... (2.2)
Untuk
tegangan puncak ke puncak setelah difilter untuk penyearah setengah
gelombang:
Vrpp
= x Vp ........................................................................................... (2.3)
Untuk
penyearah gelombang penuh:
Vrpp
= x Vp ........................................................................................... (2.4)
Untuk
mengetahui kualitas filter maka dapat dicari nilai pprr:
pprr
=
.................................................................................................... (2.5)
III. ANALISA
DATA DAN PEMBAHASAN
Percobaan penyearah
yang dilakukan dengan menggunakan dua jenis penyearah yaitu penyearah
setengah gelombang dan penyearah gelombang penuh ini menggunakan
prinsip dioda yang sifatnya dapat menyearahkan arus dari arus ac
menjadi arus dc. Berikut data yang diperoleh dari percobaan yang
telah dilakukan.
Tabel
3.1 Data percobaan penyearah setengah gelombang tanpa tapis
Vpp
(V)
|
Vp
(V)
|
Vrms
(V)
|
T
(ms)
|
Titik
|
R
(Ω)
|
16.6
|
7.8
|
5.915
|
20
|
AB
|
33
33
|
16.6
|
7.8
|
5.927
|
20
|
||
16.8
|
7.8
|
5.95
|
20
|
||
16.6
|
7.8
|
5.921
|
20
|
||
16.6
|
7.8
|
5.93
|
20.1
|
||
7.4
|
7
|
3.654
|
20.1
|
CD
|
|
7.4
|
7
|
3.653
|
20
|
||
7.4
|
7
|
3.635
|
20
|
||
7.4
|
7
|
3.388
|
20
|
||
7.2
|
7
|
3.422
|
20
|
Tabel
3.2
Data percobaan penyearah setengah gelombang dengan tapis
Vpp
(v)
|
Vp
(v)
|
Vrms
(v)
|
T
(ms)
|
Titik
|
C
(µF)
|
R
(Ω)
|
2.6
|
6
|
4.805
|
19.8
|
CD
|
1000
|
33
|
2.6
|
6
|
4.767
|
20
|
|||
2.6
|
6
|
4.675
|
20
|
|||
2.6
|
6
|
4.742
|
20
|
|||
2.6
|
6
|
4.765
|
20.2
|
|||
7
|
7
|
3.525
|
20
|
CD
|
100
|
|
7
|
7
|
3.621
|
20.1
|
|||
7
|
7
|
3.188
|
20
|
|||
7
|
7
|
3.333
|
20.1
|
|||
7
|
7
|
3.449
|
20
|
Tabel
3.3 Data
percobaan penyearah gelombang penuh tanpa tapis
Vpp (V)
|
Vp
(V)
|
Vrms (V)
|
T
(ms)
|
Titik
|
R
(Ω)
|
16.6
|
7.8
|
5.892
|
20
|
AB
|
33
|
16.6
|
7.8
|
5.893
|
20
|
||
16.6
|
7.8
|
5.893
|
20
|
||
16.6
|
7.8
|
5.926
|
20.1
|
||
16.6
|
7.8
|
5.896
|
20
|
||
7.6
|
7.2
|
4.778
|
9.9
|
CD
|
|
7.4
|
7.2
|
4.795
|
10
|
||
7.2
|
7
|
4.757
|
9.9
|
||
7.4
|
7.2
|
4.777
|
10.1
|
||
7.4
|
7.2
|
4.771
|
10.1
|
Tabel
3.4 Data percobaan penyearah gelombang penuh dengan tapis
Vpp
(v)
|
Vp
(v)
|
Vrms
(v)
|
T
(ms)
|
Titik
|
C
(µF)
|
R
(Ω)
|
1.6
|
6.4
|
5.544
|
9.5
|
CD
|
1000
|
33
|
1.6
|
6.4
|
5.599
|
10.5
|
|||
1.4
|
6.2
|
5.534
|
10.1
|
|||
1.4
|
6.2
|
5.503
|
9.7
|
|||
1.4
|
6.2
|
5.534
|
10.5
|
|||
5.2
|
7
|
4.929
|
10
|
CD
|
100
|
|
5.2
|
7
|
4.913
|
10.1
|
|||
5.2
|
7
|
4.895
|
10.1
|
|||
5.2
|
7
|
4.89
|
10
|
|||
5.2
|
7
|
4.904
|
9.9
|
Tabel
3.5 Data
hasil perhitungan dan nilai eror tegangan pada rangakaian penyearah
setengah gelombang tanpa filter.
Titik
|
Vrms
(V)
|
V
max hitung (V)
|
error
(%)
|
AB
|
5.915
|
8.3651
|
6.7551
|
5.927
|
8.3820
|
6.9439
|
|
5.95
|
8.4146
|
7.3036
|
|
5.921
|
8.3736
|
6.8496
|
|
5.93
|
8.3863
|
6.9910
|
|
CD
|
3.654
|
5.1675
|
35.4611
|
3.653
|
5.1661
|
35.4982
|
|
3.635
|
5.1407
|
36.1691
|
|
3.388
|
4.7914
|
46.0964
|
|
3.422
|
4.8394
|
44.6449
|
Tabel
3.6 Data hasil perhitungan dan nilai error tegangan pada rangkaian
penyearah setengah gelombang dengan filter.
Vp
(V)
|
Vrms
(V)
|
C
(µF)
|
f
(Hz)
|
Vmak
hitung (V)
|
Vrpp
(V)
|
pprr
|
Error
(%)
|
6
|
4.805
|
1000
|
50
|
6.795
|
3.636
|
0.757
|
11.70
|
6
|
4.767
|
50
|
6.742
|
3.636
|
0.763
|
11.00
|
|
6
|
4.675
|
50
|
6.611
|
3.636
|
0.778
|
9.25
|
|
6
|
4.742
|
50
|
6.706
|
3.636
|
0.767
|
10.53
|
|
6
|
4.765
|
50
|
6.739
|
3.636
|
0.763
|
10.96
|
|
7
|
3.525
|
100
|
50
|
4.985
|
42.424
|
12.035
|
40.42
|
7
|
3.621
|
50
|
5.121
|
42.424
|
11.716
|
36.70
|
|
7
|
3.188
|
50
|
4.509
|
42.424
|
13.307
|
55.26
|
|
7
|
3.333
|
50
|
4.714
|
42.424
|
12.729
|
48.51
|
|
7
|
3.449
|
50
|
4.878
|
42.424
|
12.300
|
43.51
|
Tabel
3.7 Data
hasil perhitungan dan nilai error tegangan pada rangkaian penyearah
gelombang penuh tanpa filter.
Titik
|
Vrms
(v)
|
V
max hitung (v)
|
error
(%)
|
AB
|
5.892
|
6.39
|
6.39
|
5.893
|
6.41
|
6.41
|
|
5.893
|
6.41
|
6.41
|
|
5.926
|
6.93
|
6.93
|
|
5.896
|
6.45
|
6.45
|
|
CD
|
4.778
|
6.55
|
6.55
|
4.795
|
6.18
|
6.18
|
|
4.757
|
4.05
|
4.05
|
|
4.777
|
6.58
|
6.58
|
|
4.771
|
6.71
|
6.71
|
Tabel
3.8 Data
hasil perhitungan dan nilai error tegangan pada rangkaian penyearah
gelombang penuh dengan filter
Vp
(V)
|
Vrms
(V)
|
C
(µF)
|
f
(Hz)
|
Vmak
hitung (V)
|
Vrpp
(V)
|
pprr
|
Error
(%)
|
6.4
|
5.544
|
1000
|
50
|
7.840
|
5.28
|
1.93
|
18.37
|
6.4
|
5.599
|
50
|
7.918
|
5.28
|
1.93
|
19.17
|
|
6.4
|
5.534
|
50
|
7.826
|
5.115
|
1.87
|
20.78
|
|
6.4
|
5.503
|
50
|
7.782
|
5.115
|
1.87
|
20.33
|
|
6.4
|
5.534
|
50
|
7.826
|
5.115
|
1.87
|
20.78
|
|
7
|
4.929
|
100
|
50
|
6.971
|
0.578
|
21.21
|
0.42
|
7
|
4.913
|
50
|
6.948
|
0.578
|
21.21
|
0.75
|
|
7
|
4.895
|
50
|
6.923
|
0.578
|
21.21
|
1.12
|
|
7
|
4.89
|
50
|
6.916
|
0.578
|
21.21
|
1.22
|
|
7
|
4.904
|
50
|
6.935
|
0.578
|
21.21
|
0.93
|
Gambar
3.1 Sinyal luaran pada penyearah setengah gelombang tanpa filter
Gambar
3.2 Sinyal luaran pada penyearah setengah gelombang dengan filter
100μF
Gambar
3.3 Sinyal luaran pada penyearah setengah gelombang dengan filter
1000
μF
Gambar
3.4 Sinyal luaran pada penyearah gelombang penuh tanpa filter
Gambar
3.5 Sinyal luaran pada penyearah gelombang penuh dengan filter
1000 μF
Gambar
3.6 Sinyal luaran pada penyearah gelombang penuh dengan filter
100 μF
Dari
gambar sinyal yang diperoleh dapat dianalisa bahwa ketika rangkaian
dirangkai untuk penyearah setengah gelombang atau dengan satu dioda
terdapat tampilan sinyal luaran yang tidak penuh pada bagian
negatifnya. Hal ini terjadi karena dalam rangkaian terdapat dioda
yang berfungsi untuk menyearahkan arus ac menjadi dc. Oleh karena
itu, arus luaran yang dihasilkan hanya terdapat pada daerah positif
yang disebabkan posisi kutub positif dihubungkan dengan sambungan p
pada dioda. Dan ketika rangkaian dirangkai dengan dua dioda atau
untuk penyearah gelombang penuh terdapat tampilan sinyal luaran arus
yang penuh pada daerah positif. Hal ini terjadi karena adanya dua
dioda yang memberikan sinyal positifnya saling bergantian. Artinya
saat dioda 1 hidup, maka dioda 2 mati begitu seterusnya. Sehingga
arus luaran yang dihasilkan adalah gabungan arus luaran dari dua
dioda. Hal ini dapat terjadi karena adanya beda fase pada sambungan
trafo dengan rangkaian dioda.
Ketika
kedua rangkaian penyearah diberikan filter
berupa
kapasitor dengan variasi 100 μF dan 1000 μF akan dihasilkan sinyal
luaran yang berbeda dengan tanpa filter.
Dalam hal ini kapasitor berfungsi sebagai filter
karena
dalam proses pengisian dan pengosongan mengabitkan dapat mengurangi
riak yang terjadi pada penyearah setengah gelombang dan penyearah
gelombang penuh. Pada saat proses pengisian kapasitor tegangan pada
yang dihasilkan naik seperti pada puncak tegangan pada dioda dan pada
saat proses pengosongan tegangan pada kapasitor turun tetapi proses
teurunnnya tidak secepat proses pengisian. Hal ini yang menyebabkan
adanya ripple
pada
sinyla luaran arus sehingga luaran sinyal arus menjadi rata. Luaran
sinyal arus rata tidaknya tergantung pada besar kapasitor yang
diberikan. Jika kapasitor yang diberika mempunyai kapasitansi yang
besar maka akan menghasilkan sinyeal luaran arus yang lebih rata
dibandingkan dengan kapasitor dengan kapasitansi yang rendah. Hal ini
dapat dibuktikan dari sinylal arus luaran pada percobaan yang telah
dilakukan, diamati sinyal arus luaran dengan filter
100
μF lebih rata dari pada sinyal arus luaran dengan filter
1000
μF.
Dalam
percobaan ini terdapat error pada Vp karena adanya kapasitansi yang
tertera pada kapasitor merupakan kapasitansi ideal sehingga tegangan
yang dihasilkan belum tentu stabil.
Pada tegangan puncak
ke puncak setelah difilter
mempunyai
perbedaan karena pada penyearah setengah gelombang hanya terdapat
pada setengah gelombang. Sehingga tegangan riak akan membentuk lebih
memanjang atau lebih kurang rata dibanding dengan penyearah gelombang
penuh. Dan dengan adanya variasi filter
yang diberikan juga mempengaruhi sinyal luaran riak pada sinyal arus
luaran. Dimana filter
yangkapasitansinya
lebih besar akan memberikan sinyal arus luaran yang lebih rata
dibandingkan dengan sinyal arus luaran penyearah setengah gelombang.
Kualitas
rangkaian filter
dengan
kapasitor yang kapasitansi 1000 μF lebih baik dibandingkan dengan
kapasitansi 100 μF. Hal ini terjadi karena daya simpan kapasitor
yang lebih besar kapasitansinya lebih besar dibandingkan dengan
kapasitansi yang lebih rendah sehingga tegangannya stabil.
Dalam
proses pengambilan data terdapat kendala dalam menentukan rangkaian
resistor yang dipakai, proses perangkaian untuk penyearah setengah
gelombang ataupun gelombang penuh saat ditambah dengan filter.
IV. KESIMPULAN
Berdasarkan dari
hasil percobaan dan perhitungan dapat disimpulkan bahwa karakteristik
dari penyearah setengah gelombang yaitu mempunyai satu siklus sinyal
positif setengah gelombang yang dikeluarkan oleh satu dioda, untuk
penyearah gelombang penuh akan menghasilkan arus luaran yang penuh
karena adanya dua dioda yang saling bergantian memberikan setengah
gelombang siklus sinyal positif, dan untuk penyearah setengah
gelombang dan gelombang penuh dengan menggunakan filter akan
menghasilkan luaran arus yang rata akibat adanya kapasitor yang
mengurangi riak tegangan.
DAFTAR PUSTAKA
[1]
Lee, Y. S. 2011.”Power Electronics”. Elsevier: America.
[2]
Surjono, Hermawan Dwi. 2007. “Elekronika : Teori dan Penerapan”.
Penerbit Cerdas Ulet Kreatif: Jember.
[3]
Sutrisno. 1986. “Elektronika Teori dan Penerapannya”. Penerbit
ITB: Bandung.
[4]
Zuhal. 2004. “Prinsip Dasar Elaktroteknik”. PT Gramedia Pustaka
Utama; Jakarta.


















No comments:
Post a Comment